
第一章 产品介绍
1.1 简介
本系列 UPS 系统是连接在输入电源和负载之间,为重要负载提供不受电网干扰、稳压、稳频的电力供应的电源设备,在市电掉电后,UPS 可将电池能量逆变给负载,继续提供一段时间供电。
本系列 UPS 采用带输出隔离变压器的高频双变换结构和先进的全数字控制技术,输出稳定、洁净、不间断的电源,具有完备的网络管理功能。
1.2 基本组成
本系列 UPS 系统主要包括由整流模块(REC)和逆变模块(INV)组成的 AC-DC-AC 变换主回路、由反向并联的可控硅组成的旁路静态开关、维修旁路空开 Q3、输出隔离变压器和逆变静态开关、蓄电池组以及
输入 Q1/输出空开 Q4 等。 系统组成如图 1-1 所示,其中,空气开关 Q1 控制主路交流电源输入,整流模块将交流电源变成直流电源,逆变模块进行 DC/AC 变换,将整流模块和蓄电池提供的直流电源变换成交流电源,
经过隔离变压器输出。蓄电池组在交流输入停电时通过逆变向负载供电。输入电源也可以通过旁路静态开关从旁路回路向负载供电。另外,要求对负载不间断供电而对 UPS 内部进行维修时,可使用维修旁路开关 Q3。

1.3 工作原理
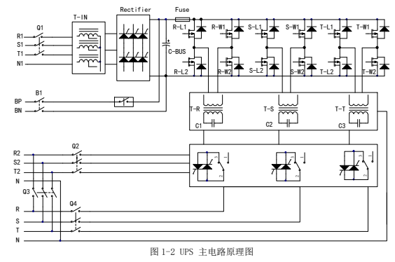
本系列 UPS 系统主电路如图 1-2 所示。

主路输入电源从空气开关 Q1 输入,经自耦变压器降压,进入可控硅 6 脉冲整流单元,将三相交流电变换为稳定的直流电源,整流器同时具有充电器的功能;
该部分电路采用软启动和 DSP 实时处理的全数字控制技术,提高了系统的抗冲击能力和直流母线电压的稳定性,可减小蓄电池充电纹波,延长蓄电池的寿命。
蓄电池通过接触器与直流母线并联接通,蓄电池通过直流滤波电路向逆变器提供直流电源。 逆变器采用 DSP 实时处理全数字控制技术,通过 PWM 调制 3 组桥式 IGBT 功率开关器件、
把直流母线电源变换成三相交流。输出经过三个独立隔离变压器,静态开关、空气开关等功能单元,实现负载端与输入侧的隔离。 旁路输入电源从空气开关 Q2 输入,通过旁路静态开关的控制后输出。
DSP 和单片 MCU 组成全数字控制系统,为本机强大的功能提供了可靠保证。通过控制旁路静态开关和逆变器输出静态开关的通断状态可实现多种工作模式的切换,也为个性化的多种通信接口和管理软件提供了可能。
1.4 结构布局
如下图所示,本系列 UPS 系统主要有整流模块、逆变模块、监控系统、防雷系统、风扇制冷系统、输入输出隔离系统等组成。








1.5 工作模式
正常工作模式
在主路市电正常时,UPS 一方面通过整流器,逆变器给负载提供高品质交流电源;
另一方面通过整流器为电池充电,将能量储存在电池中。原理框图见图 1-11。

电池工作模式
当主路市电异常时,系统自动无间断地切换到电池工作模式,由电池通过逆变器输出交流电给负载供电。
市电恢复后系统自动无间断地恢复到正常工作模式。原理框见图 1-12。

旁路工作模式
旁路工作方式有两种,一种能自动恢复到正常工作模式;另一种需要人工干预才能回到正常工作模式。
在逆变器过载延时时间到、逆变器受大负载冲击等情况下,系统自动无间断切换到旁路电源向负载供电。过载消除后,系统自动恢复正常供电方式。
当用户关机,或主路市电异常且电池储能耗尽,或发生严重故障等情况下,逆变器关闭,系统会切换并停留在旁路工作模式。此后若需要恢复到正常工作模式,则需要用户重新开机。原理框图见图 1-13。

ECO 工作模式(选项)
如果负载对电源的质量要求不是很高,而对系统的效率要求较高时,可通过设置让系统工作在“ECO 工作模式”。这种模式下,旁路电源正常时系统通过静态旁路给负载供电,
主路通过整流器给电池充电;当旁路电源断电或超出允许范围时,UPS 会自动将负载切换到由主路或电池逆变器供电。当旁路电源恢复正常后(在允许范围内),
系统会自动地切换回到旁路供电,从而大大提高了系统的效率。原框图见图 1-14。

备注:80-200kVA ECO 模式的切换时间小于 8ms。
维修工作模式
对 UPS 系统及电池进行全面检修或设备故障维修时,可以通过闭合维修开关 Q3,将负载转向维修旁路直接供电,以实现对负载不停电维护。维修时需要断开 UPS 内部的主路输入开关 Q1、
旁路输入开关 Q2 和电池输入开关 B1 以及输出开关 Q4,实现 UPS 内部不带电而对负载仍然维持供电的维修工作模式。原理框图见图 1-15。

多种电源输入方式
UPS 系统主路输入和旁路输入可以是同一路电源也可以是两路不同的电源。输入连接方式见图 1-16 和 1-17。


1.6 基本功能
【电池管理功能】本系列具有先进的电池管理功能,主要包括 UPS 系统能设置电池节数、最大充电电流值两项参数。
【定时开关机功能】本系列 UPS 系统具有定时开机和关机功能,设置参数的循环周期从单次到每天都具备,让 UPS 电源更人性化的被广大用户使用。
【输出电压、频率可调功能】本系列 UPS 系统的输出电压和频率都可设置,输出电压的可设参数值多达 5种,输出频率可设置为 50Hz 或 60Hz,能满足广大用户的各种需求。
【告警和保护功能】本系列 UPS 系统具有多种告警方式,可通过声、光、LCD、输入输出节点以及网络传输方式对当前发生的告警进行及时、准确和详细的提示,在提高系统可靠性的同时,
帮助维护人员准确地定位及排除故障。
【冷启动功能】本系列 UPS 系统在没有交流电源输入但蓄电池组一直并联在直流母线的情况下,可直接启动 UPS。
【市电恢复自启动功能】市电恢复自启动功能时专门针对 UPS 设备有后备电池的应用场合设计的,可以在后备电池实施欠压保护以后,输入交流电恢复正常时,UPS 电源自启动,按照预先设计好的工作模式选择供电方式。
该功能与网络监控一起实现无人值守场合的 UPS 自动启机。
【输入相序自适应功能】UPS 系统有相序自适应功能,当安装主路、旁路输入电缆时,即使调换电缆的相序,系统也能自动侦测并跟踪锁定输入相序,让系统正常的工作,让用户使用起来更加方便。
【紧急停机功能】通过“紧急停机”按钮可以关闭整流器、逆变器,封锁输出(包括旁路和逆变器),当发生紧急情况或无法正常关机时可使用此按钮。
1.7 性能指标
特性参数



电气参数
在进行 UPS 电源供电系统设计中,输入配电、输出配电、电缆选择等方面的工作可以参照表 1-2。
表 1-2 电气设计参数表

第二章 机柜安装
2.1 环境要求
■ 工作温度: 0~40℃
■ 储存温度: -15℃~45℃
■ 相对湿度: 20%~95%
■ 冷却方式: 风冷
■ 海拔高度: <1000m
■ 垂直度: 没有振动颠簸且垂直倾斜度不超过 5 度
■ 污染等级: Ⅱ级
UPS 系统应安装在具有足够通风量、凉爽、湿度不高和具有无尘条件的清洁空气的运行的环境中。推荐工作温度为 20-25℃,湿度控制在 50%左右。
◆ 注意 ◆
1. 房间内不应存放易燃、易爆或具有腐蚀性的气体或液体的物品。严禁安装在具有金属导电性尘埃的工作环境中。
2. 若客户使用在海拔为 1000m 以上,必须采用递减额定值输出,如下表所列:

2.2 卸货开箱
设备应放置在符合要求的储藏环境中,储藏时间不宜超过 3 个月。
设备安装时,应将设备运至安装现场后再拆除外包装。此时按照箱内的装箱清单核对各种设备及材料是否齐全,同时妥善保管各种备件附件以备后续安装设备、连接线缆以及今后维护时使用。
机柜外包装拆除办法见包装箱的具体示意。
2.3 结构尺寸
为了设备的可靠运行,设备应当依据现场条件和设计标准选择适当的固定方式。表 2-1 列出了本系列UPS 电源的结构参数。
表 2-1

UPS 电源的外型尺寸图:


2.4 现场搬运
吊装运输
【准备工作】两根至少 3 米长,承重至少 1.5 吨的吊缆。
【运输工作】UPS 电源机柜运达安装现场后再拆除包装,将两根吊缆从底部穿过进行吊装。如下图所示。

叉车运输
若条件允许吊装时可以考虑使用叉车,从 UPS 的侧边叉起,由于 UPS 单机较重,需注意运输距离不宜超过10 米。
2.5 固定方法
UPS 机柜的重量是通过其最下部的四个轮子传递到地面上的,地板承重能力不够时应当增加辅助装备,将机柜重力分散到更大的支撑平面上。
◆ 注意 ◆
由于 UPS 需从底部进风,任何安装方式必须保证机柜底部不小于 10CM 的通风距离。
2.6 进出线方式
本系列 UPS 电源由机柜后部向下进出线方式,并设计有档板防护。拆下档板如下图所示。



2.7 相对位置和冷却风道
UPS 电源冷却风源从机柜底部进入 UPS 内部,由风扇提供强制风冷,从后部排出。UPS 机柜后部离物
体间距离应大于 500MM,以便接线和散热;前部离物体距宜大于 500mm,以保证 LCD 面板操作空间。相对位置示意图见下图。

2.8 机柜布置
UPS 电源成套系统除 UPS 电源单机外,还包括蓄电池柜,需合理安排其安装位置。
配置一个电池柜的 UPS 单机系统布局
本系列 UPS 单机系统配置的电池后备时间为 30 分钟时,用一个电池柜即可容纳所需的蓄电池组。系统布局只有一个电池柜和一个 UPS 电源机柜的相对关系,放置位置没有严格的要求,
下图示出了一种 UPS 单机的布局方式。

第三章 电气装配
3.1 电缆选择
3.1.1 电缆载流量
依据电工设计规范的推荐,对供电回路线路压降和线缆允许温升不作要求时可以按照表 3-1 的建议选择线缆载流量。

3.1.2 功率电缆选择
本系列 UPS 电源输入输出功率电缆主要有主路交流电源输入电缆(3 相 4 线)、旁路交流电源输入电缆(3相 4 线)、电池输入电缆(正负两极)、保护地线等。
建议 UPS 的输入和输出电缆选择额定介电强度为AC450V/750V,允许工作温度达 70℃的 BVR 或 RV 型软连接电缆。
功率电缆电流的确定
第一种为计算法:功率因数取 0.75、效率取 0.9、输入电压取 220V、输出相电压取 220V、蓄电池组电压取最低值 16×10=160V 或 32×10=320V(10kVA 以上)等系统参数取后,按下列公式计算出电流参数:
输入电流=(输出额定 VA 值/0.75/0.9)/220/3
电池电流=(输出额定 VA 值/0.9)/(16×10)或(32×10)
输出电流=(输出额定 VA 值/220/3)
第二种为查表法:从表中 3-2 中查出 UPS 电源的工作电流
电缆选择
本系列 UPS 的功率电缆按照 3~5A/mm2 的电流密度进行配置,同时电缆上的最大电压降不大于 3V。
UPS 电源系统的旁路电源输入中线、UPS 电源输出中线,其截面积应当为相线电缆截面积的 1.5~1.7 倍。
UPS 电源系统中有安全保护地线,其截面积应当为相线电缆截面积的 0.5~1 倍。但截面积不小于 10mm2。
本系列 UPS 电源的电流和线缆选择见表 3-2。

◆ 注意 ◆
电池空开的直流分断必须符合: 80kVA-200kVA≥440VDC。
3.1.3 信号电缆选择
信号电缆应当选用屏蔽多芯电缆,采用单线电缆时需要多根电缆线捆扎在一起以增强机械强度。串行通信电缆建议选用通信用屏蔽电缆。
3.2 电缆连接
3.2.1 功率电缆
本系列 UPS 的标准设计为旁路与主路共用一路电源。工程安装时,UPS 电源输入输出功率电缆,参照下图
指示位置连接;

如果主路和旁路电源不是同一路输入电源,应拆下主路与旁路并联线,参照下图指示位置连接电缆。

◆ 注意 ◆
1. 所有电缆连接施工过程中,所有开关均应处于“OFF”。
2. 由于 UPS 后部排风,电缆连接好后,必须把防护档板装好。
3. 本系列 UPS 电源的漏电流小于 1A,使用时请注意人身安全的保护。
4. 本系列 UPS 电源机柜对接地电阻要求建议小于 1Ω。
3.2.2 信号电缆
串行口通信电缆的连接方法
UPS 电源的侧板顶端的连接口定义见下图所示,标示了 RS232/RS485 串行通信口和输入输出接点/网络适配器的具体位置,用户在安装使用时可以参照该图实现各种通信和后台管理功能。
串行通信电缆的具体长度随安装现场不同存在较大差异,随机不提供电缆附件,截取适当长度的电缆按照路径布线。

系统信号电缆包括 RS232 连接 、RS485 连接 、SNMP 卡连接、输入输出干接点。
其中:RS232 和 SNMP 卡两种通信方式不能同时使用,只能选择其一。
RS232 连接
将随机附件中的通信线一端接 UPS,另一端接后台监控设备。端子各脚的定义如图所示。

SNMP 卡连接(选购件)
使用说明参照 SNMP 卡附带的说明书。
RS485 连接(选购件)
可以用信号线缆一端剖头后直接压接在 RS485 连接端子上,另一端为用户端,可以依据实际情况选择连接方法。端口定义如图所示。

输入输出接点电缆连接
输入输出接点信号电缆可以选用屏蔽电缆、排线、单线或线束等多种形式的电缆,剖头或都压端子连接信
号端子上。
干接点接口
内部接口线路:

由于 UPS 只提供干节点信号,不提供外部设备的电源,推荐使用 DC12V 电源,以下是接口部分元件所能承
受参数的最大值:

脚位定义:

◆ 注意 ◆
1.当干接点接口 Pin4、Pin10 接收到一个 3~10s 的高电平(小于 3s 或者大于 10s 的信号均为无效信号),执行开机、关机动作。
2.在市电模式下,该关机信号无效。
接口脚位说明:

应用说明
以远程监控显示设备为例,用户端线路连接如下:

用户只需提供 Common 端 6-24VDC 的电源,和对应的地信号,通过将显示灯及控制按键连接在接口上,
得到 UPS 运行的内部讯息并可实现远程关机、开机。
第四章 调试
4.1 上电步骤
4.1.1 开关说明
主路电源输入空气断路器 Q1---连接 UPS 与主路输入电源的开关;
旁路电源输入空气断路器 Q2---连接 UPS 与旁路输入电源的开关;
维修空气断路器 Q3---连接旁路输入电源与负载设备的开关;
输出空气断路器 Q4---连接 UPS 与负载设备的开关;
电池空气断路器 B1---连接 UPS 与蓄电池开关;
◆ 注意 ◆
维修旁路开关 Q3 是专为 UPS 故障或保养而设计,非工程技术人员切勿操作,以免发生危险或损坏机器。
4.1.2 初次上电调试
UPS 电源内各开关应全部处于分断状态(OFF),检查并确认各输入输出电源线相位和蓄电池连接极性正确,将电源送到主路电源输入开关 Q1 和旁路电源输入开关 Q2,并保证输入电源在指标要求范围。
◆ 注意 ◆
上电过程中不要带负载!
UPS 电源系统按照以下顺序启动:
第一步:闭合 UPS 的电池空开 B1、主路电源空开 Q1、旁路电源空开 Q2 和输出空开 Q4,首先听到一声长鸣,UPS 电源进入自检,此时面板的全部指示灯持续亮 2S 后熄灭,
同时屏幕显示 UPS 的额定信息,2S后进入主菜单窗口;同时听到电池接触器闭合声,整流器启动;接着操作面板上的市电指示灯、整流指示灯、旁路指示灯亮。
此时,UPS 电源正处于旁路工作模式。
第二步:按面板的“DOWN”键(向下键)选中 LCD 主屏幕的“系统控制”选项,按“ENTER”键(确定键)进入子菜单窗口,选中“系统开机”选项并按“ENTER”键
(确定键)确认。操作成功后,首先主屏幕会弹出“系统开机中”的提示窗口,然后转为“输出状态”子窗口,实时显示 UPS 的各种输出信息,再听到静态开关的继电器闭合声,
接着旁路指示灯灭,逆变指示灯亮,此时 UPS 启动完毕。
第三步:UPS 输出电源无间断地从旁路供电切换到逆变器供电,由旁路工作模式转换为市电工作模式,操作面板上的旁路指示灯灭,逆变指示灯亮,此时系统处于正常的市电工作模式。
◆ 注意 ◆
1.用户按键时需按住 0.5S 后操作才有效,该功能为防止用户误操作。
2.当液晶显示屏无法正常显示或第二步无法正常开机时,可使用另外一种方法开机:即持续按住面板的“ENTER”键(确定键)10 秒,此方法也能启动 UPS 电源。
备注:正常情况下不推荐用户使用此方法。
4.2 功能检查
主要检查各种工作方式的切换,故障报警(声光)和显示指示等功能。
4.2.1 显示控制面板功能检查
在 4.1 节中详细描述了本系列的 UPS 单机上电步骤,该过程检查了各个指示灯的亮灭,“DOWN”键(向下键)和“ENTER”键(确定键)的功能。

模拟故障状态(关闭输入市电等)使设备发出告警,检查“声光告警”功能,按“UP”键(向上键)、“DOWN”键(向下键)等按键检查该功能键和液晶显示屏的实时显示功能。
4.2.2 工作模式的切换
本系列 UPS 电源单机系统进入正常工作模式后,可以进行多种工作模式的切换,如果输入电源指标满足 UPS 的输入要求,可进行如下切换过程:
1. 正常工作模式下断开 Q1 转为电池供电的工作模式;稍后闭合 Q1 回到正常的工作模式。
2. 正常工作模式下关机,即关闭逆变器,此时无间断的转为旁路供电模式,稍后再开机,回到正常工作模式。
3. 旁路工作模式下,闭合 Q1 和 B1,启动 UPS 电源,将无间断转为正常工作模式(如何开机请看 4.1.2节)。
4. 从正常工作模式切换到维修工作模式:首先在主菜单中进入“系统控制”子菜单窗口,选择“系统关机”选项关闭 UPS,接着断开 Q1、断开 B1、闭合 Q3、断开 Q2、断开 Q4,
此时旁路电源从 Q3 直接向负载供电而机内(输入输出端除外)不带电源,实现不停电维修(维修工作模式时不要立即开机箱进行维修,需等 5 分钟待电容放电完后再进行维修)。
第五章 显示控制面板操作指南
5.1 显示控制面板
5.1.1 显示控制面板布局
本系列 UPS 电源系统显示控制面板如图 5-1 所示。

显示控制区面板按功能划分如图 5-2 所示,主要分为 3 个功能区:LED 显示区,功能键控制区,液晶显示屏菜单区。

5.1.2 LED 指示
图 5-2 的 LED 显示区的 6 个发光二极管(LED)作为运行状态和故障的指示灯。
【旁路灯】:亮表示旁路正供电;熄灭表示旁路正常但不供电;闪烁表示旁路异常。
【市电灯】:亮表示市电正供电;熄灭表示此时无市电供电;闪烁表示市电异常。
【电池灯】:亮表示电池正供电;熄灭表示电池正常但不供电。闪烁表示充电器过充告警或电池异常。
【整流灯】:亮表示 UPS 的整流模块正常工作;熄灭表示整流模块不工作。
【逆变灯】:亮表示 UPS 正常工作;熄灭表示 UPS 逆变故障或者已关机。
【故障灯】:亮表示 UPS 故障,熄灭表示 UPS 正常。
5.1.3 功能键
图 5-2 所示的功能键控制区包括 5 个按钮:
【EPO】:紧急关机键。可以关闭整流器、逆变器,封锁输出(包括旁路和逆变器)。
【▲】:功能菜单里的向上键或者向左键;增大设置数字;按住 5 秒有初始化液晶显示屏 LCD 的功能。
【▼】:功能菜单里的向下键或者向右键;减小设置数字。
【ENTER】:功能菜单里的确定键;按住 10 秒有快捷开机的功能。
【ESC】:功能菜单里的退出键和返回键;按住 10 秒有快捷关机的功能。
5.1.4 告警蜂鸣器
【长鸣声】:系统有严重的告警时,蜂鸣器发出长鸣的告警声。
【鸣 3 声】:寄存器 EEPROM 读写错误时,蜂鸣器连续发出 3 声的告警声。
【鸣 6 声】:电池输入电源未接时,蜂鸣器连续发出 6 声的告警声。
【鸣 8 声】:不满足 UPS 开机条件时,蜂鸣器连续发出 8 声的告警声。
【1 秒鸣 2 次】:UPS 过载预警时,蜂鸣器每隔 1 秒发出 2 次告警。
【2 秒鸣 1 次】:系统有一般的告警时,蜂鸣器每隔 2 秒发出 1 次告警。
【2 分钟鸣一次】:旁路异常时,蜂鸣器每隔 2 分钟发出 1 次告警。
5.1.5 液晶显示
液晶显示屏可以实时显示当前出现的故障信息,在“故障查询”菜单中可以查询 20 条历史事件和故障信息。
主菜单有分为 8 个子菜单项,其内容依次为:输入状态、输出状态、工作状态、故障查询、额定信息、系统控制、系统设置、功能设置。可以清楚的反映 UPS 的当前状态。
5.2 显示信息说明
5.2.1 启动画面
UPS 上电以后,监控系统开始自检,液晶显示初始画面如图 5-3 所示。

5.2.2 主显示画面
UPS 上电系统自检结束后,液晶自动显示 UPS 详细信息的主显示画面如图 5-4 所示。

5.2.3 主菜单信息
本系列 UPS 电源的主菜单显示窗口共有 8 条子菜单,依次为输入状态、输出状态、工作状态、故障状态、额定信息、系统控制、系统设置、功能设置。在该窗口下,
可以通过按“UP”或者“DOWN”按键选择所要进入的子菜单,然后按“ENTER”键进入即可,若想退回主菜单,则按“ESC”键退回主菜单。
【输入状态】:当显示菜单子窗口中当前选项为输入状态时,显示输入相别、输入相电压、输入线电压、输入频率等相关信息,如图 5-5 所示。

【输出状态】:当显示菜单子窗口中当前选项为输出状态时,显示输出相别、相电压、线电压、输出所带负载百分比、负载伏安值、瓦特值、输出频率等相关信息,如图 5-6 所示。

【工作状态】:当显示菜单子窗口中当前选项为工作状态时,显示电池电压、充电电流、工作模式、机内温度等相关信息,如图 5-7 所示。

【故障查询】:当显示菜单子窗口中当前选项为故障查询时,显示故障的历史记录,如图 5-8 所示。

【额定信息】:当显示菜单子窗口中当前选项为额定信息时,显示机器型号、额定容量、额定输入、额定输出、电池电压、版本号等相关信息,如图 5-9 所示。
【系统控制】:当显示菜单子窗口中当前选项为系统控制时,显示系统开机、系统关机、删除故障等相关信息,如图 5-10 所示。

【系统设置】:当显示菜单子窗口中当前选项为系统设置时,显示输出电压设置、输出频率设置、电池设置、ECO、EPO、修改密码设置、恢复出厂默认值等相关信息,如图 5-11 所示。

【功能设置】:当显示菜单子窗口中当前选项为功能设置时,显示时间设置、定时开机设置、定时关机设置、蜂鸣器设置等相关信息,如图 5-12 所示。

5.3 系统控制
当显示子菜单窗口为“系统控制”时,如图 5-13 所示,共有 3 项属性:依次为系统开机、系统关机、删除故障记录。
5.3.1 系统开机
当显示菜单子窗口中当前选项为“系统控制”时,选中“系统开机”选项并确认,LCD 主屏幕会弹出“系统开机中”的提示窗口,如图 5-14 所示;若操作成功,2S 后主屏幕转为当前选项为“输出状态”的
子窗口;此时,UPS 电源已成功启动,工作于【正常工作模式】,并实时显示输出状态的各种参数,如图5-15 所示。
备注:当液晶显示屏无法正常显示或无法正常开机时,可使用另外一种方法开机:即持续按住面板的“ENTER”键(确认键)10 秒,此方法也能启动 UPS 电源。但正常情况下不推荐用户使用此方法。


5.3.2 系统关机
同理,当显示菜单子窗口中当前选项为“系统控制”时,选中“系统关机”选项并确认,LCD 主屏幕会弹出“系统已关机”的提示窗口,如图 5-16 所示;接着主屏幕转为当前选项为“输出状态”的子窗
口;此时,UPS 电源已关闭逆变器,工作于【旁路工作模式】,并实时显示旁路输出状态的各种参数,如图 5-17 所示;
备注:当液晶显示屏无法正常显示或无法正常关机时,可使用另外一种方法关机:即持续按住面板的“ESC”键(返回键)10 秒,此方法也能关闭 UPS 电源。但正常情况下不推荐用户使用此方法。


5.3.3 删除故障记录
同理,当显示菜单子窗口中当前选项为“系统控制”时,选中“删除故障记录”选项并确认,LCD 主屏幕会弹出“故障记录已删除”的提示窗口,如图 5-18 所示;此时,之前保存的故障记录会被全部清空。

5.4 系统设置
在主菜单窗口下选中“系统设置”选项,并输入正确的用户密码(密码为:0000),如图 5-19 所示,进入该项子菜单窗口,如图 5-20 所示,
该菜单共有 7 项属性:依次为输出电压设置、输出频率设置、电池设置、ECO 模式、EPO 模式、修改用户密码、恢复出厂默认。


◆ 注意 ◆
用户按键时需按住 0.5S 后操作才有效,该功能为防止用户误操作。
5.4.1 输出电压设置
在旁路模式或者待机模式下,选中“输出电压设置”选项并确认,如图 5-21 所示。本系列的 UPS 电源的输出电压的设定值有 5 项:分别为:a)220V、b)230V、c)240V、d)200V、e)208V ,用户可以根据自己
的实际需要,在规定的电压设置参数中选取所需的输出电压值。 待所需修改的设置参数全部设置完毕后,退出并在提示语言下保存即可,如图 5-22 所示。


5.4.2 输出频率设置
在旁路模式或者待机模式下,选中“输出频率设置”选项并确认,进入频率修改状态,如图 5-23 所示。输出频率值可调整为【50Hz】或者【60Hz】,
用户可以根据自己的实际需要,在规定的频率设置参数中选取所需的频率值。

5.4.3 电池设置
在旁路模式或者待机模式下,选中“电池设置”选项并确认,如图 5-24 所示。该子窗口共有两项设置项:
1)【电池节数】:该项能设置电池的节数,电池修改的范围是 30 节~32 节。UPS 的默认设置为 32节,在坏掉一节电池或有多一节电池情况下,可把节数更改为对应节数,
系统便可正常运行,此功能大大提高了电池使用的灵活性,但不推荐用户长期使用 30 节或 31 节电池运行。
2)【最大充电电流】:该项可设置 UPS 的充电电流参数,最大的充电电流值可设置到 25A,默认值为10A。
推荐的充电电流=0.1*电池安时容量

◆ 注意 ◆
电池放电时间结束后,UPS 处于待机模式,此时再上市电,UPS 自动恢复,进入市电模式。
5.4.4 ECO 模式(选项)
在旁路模式或者待机模式下,选中“ECO 模式”选项并确认,如图 5-25 所示,进入参数修改状态,当参数值设为【使能】,表明该 ECO 模式被激活,当参数值设为【禁能】,表明该 ECO 模式被禁止。
ECO 模式的功能是:当市电比较稳定时,激活该功能,让 UPS 电源直接由旁路供电,逆变器处于待机状态,不参与输出能量,一旦侦测到市电异常,UPS 把旁路供电转为逆变供电,让逆变器工作,输出稳定
的电压。因此,该工作模式能有效地降低 UPS 电源的功率损耗。

备注:80-200kVA ECO 模式的切换时间小于 8ms。
5.4.5 EPO 模式
在旁路模式或者待机模式下,选中“EPO 模式”选项并确认,如图 5-26 所示,进入参数修改状态,当参数值设定为【使能】字样,表明该工作模式已被激活。此时,控制面板的“EPO”按键(紧急停机键)
有效。当发生紧急情况时或者正常关机无效时,用户可用此按钮来紧急停机,关闭整流器和逆变器,封锁输出,让损失尽可能减低;当故障解除后,再次按此按钮来解除输出封锁,让 UPS 恢复到正常的待机状
态;当参数值设定为【禁能】字样,表明该工作模式被屏蔽。此时控制面板的“EPO”按键(紧急停机键)无效。
但是,在正常的情况下,建议用户按正常步骤来关机,正常关机的步骤与开机同理,只需在“系统控制”窗口下选中“系统关机”项即可,详情请看 5.3.2 节。

5.4.6 修改用户密码
在旁路模式或者待机模式下,选中“修改用户密码”选项并确认,如图 5-27 所示。用户需在【旧密码】一栏中输入正确的密码,在【新密码】一栏中输入需更改的新密码
然后在【确认密码】一栏中,把新密码再输入一遍即可。

注:1.本系列 UPS 电源的初始密码为:0000;
2.本系列 UPS 电源有万能密码,用户一旦忘记所设密码可联系对应的经销商。
5.4.7 恢复出厂默认
在旁路模式或者待机模式下,选中“恢复出厂默认”选项并确认,如图 5-28 所示。 当用户选择【是】则表示确定恢复出厂设置,恢复设置的内容是:
a) 把显示菜单窗口为“系统设置”里的 1~6 项的默认设置情况恢复。
b) 把显示菜单窗口为“功能设置”里的 2~5 项的默认设置情况恢复,但不恢复第一 项的时间设置项。
当用户选择【否】则表示不恢复出厂设置,且系统退回“系统设置”菜单窗口。

5.5 功能设置
在主菜单窗口下选中“功能设置”选项并确认,进入对应的子菜单窗口,如图 5-29 所示,共有 5 项
设置项:依次为时间设置、自动定时开机设置、自动定时关机设置、蜂鸣器告警、语言设置。

5.5.1 时间设置
在菜单窗口下选中“时间设置”选项并确认,“时间设置”一栏会弹出相应的时间参数,如图 5-30所示。将时间常数修改为正确的年月日、时间、日期后,保存并退出即可。
5.5.2 自动定时开机设置
在菜单窗口中选中“定时开机设置”选项并确认,如图 5-31 所示。开机设置包括三个方面:状态、周期、时间。
a)【状态】:当属性选为“关”时,表示“定时开机”功能无效;当属性选为“开”时,表示“定时开机”功能有效,即启动 UPS 的自动开机功能。
b)【周期】:其属性依次为:周一至五、每天、单次、周末,用户可选择其中一个参数来设定 UPS 的启动周期。
c)【时间】:该选项用来设定 UPS 的启动时间。

5.5.3 自动定时关机设置
在菜单窗口中选中“定时关机设置”选项并确认,如图 5-32 所示。关机设置也是包括三个方面:状态、周期、时间。
a)【状态】:当属性选为“关”时,表示“定时关机”功能无效;当属性选为“开”时,表示“定时关机”功能有效,即启动 UPS 的自动关机功能。
b)【周期】:其属性依次为:周一至五、每天、单次、周末,用户可选择其中一个参数来设定 UPS 的停机周期。
c)【时间】:该选项用来设定 UPS 的停机时间。

5.5.4 蜂鸣器告警
在菜单窗口中选中“蜂鸣器告警”选项并确认,如图 5-33 所示。其参数值为【禁能】和【使能】。
当属性参数设置为【使能】时,表示蜂鸣器告警功能激活,当发生过载或故障时,蜂鸣器能正常发出告警声;当属性参数设置为【禁能】时,表示蜂鸣器告警功能无效,当发生过载或故障时,蜂鸣器也不能发出告警声。
因此,建议用户使用 UPS 电源的默认设置【使能】,切勿更改,让 UPS 电源发生过载或故障时能发出告警声,能被及时发现,避免更严重的后果。

5.5.5 语言设置
在菜单窗口中选中“语言设置”选项并确认,如图 5-34 所示。其参数值为【禁能】和【使能】。
当属性参数设置为【中文】时,表示 LCD 屏幕的全部文字用中文形式显示;当属性参数设置为【英文】时,表示 LCD 屏幕的全部文字用英文形式显示,以满足国内外用户的需求。

5.6 UPS 的告警及显示
当 UPS 正常运行时发生异常或者故障时,此时 UPS 就会显示相应的故障告警,并且伴有相应的鸣叫声,自动存入故障查询里面以便查询。

第六章 使用维护指南
本章主要介绍 UPS 的正常使用与日常维护,不涉及 UPS 内部操作。如果对本系列 UPS 系统内部进行维护,必须将 UPS 电源的主路电源输入开关 Q1,旁路电源输入开关 Q2,
蓄电池输入开关 B1 等全部断开,并等待约 5 分钟,待 UPS 内部的高压消失,否则就会有触电的危险。在未完全明白手册所述的安全警告之前千万不要触摸 UPS 内部的任何器件。
有任何不明白的地方请咨询厂家技术支持人员。
6.1 使用指南
6.1.1 开机
在初次上电过程测试完毕后,UPS 系统进入使用过程,一般情况都带有负载。如果 UPS 输入电源满足规定的输入条件,可进行以下操作。
市电开机
1. 完成一切准备工作,输入电源到达 UPS 的输入端。
2. 依次闭合电池开关 B1、主路电源输入开关 Q1、旁路电源输入开关 Q2 和输出开关 Q4,按 5.3.1 步骤开机,逆变器启动并正常工作后,负载电源将无间断的由旁路切换到逆变供电。
电池开机
当蓄电池正常并一直连在直流母线上时,可利用电池直接启动逆变器。启动步骤为:首先闭合电池开关 B1,在主屏幕显示当前选项为“主菜单”窗口时,使用“UP”键(向上键)或“DOWN”键(向下键)
选中“系统控制”选项,按“ENTER”键(确定键)进入下一页子窗口;再使用“UP”键(向上键)或“DOWN”键(向下键)选中“系统开机”选项并按“ENTER”键(确定键)确认;当操作面板上的
电池灯、逆变灯亮时,闭合输出开关 Q4,逆变器向负载供电。
◆ 注意 ◆
维修旁路开关 Q3 是专为 UPS 故障或保养而设计,非工程技术人员切勿操作,以免发生危险或损坏机器。
6.1.2 关机
正常模式下关机
UPS 系统进行定期检修或退出使用,从正常工作模式下进行关机过程如下:
1. 按 5.3.2 步骤来正常关机,关闭逆变器,系统转旁路供电;
2. 依次断开输入开关 Q1、蓄电池开关 B1; 这时负载由旁路供电,如果不需要再向负载供电,直接断开 Q2、Q4;如果要对负载维持供电,UPS 内部需断电维修,可继续以下操作;
3. 合上内部维修旁路开关 Q3;
4. 依次断开旁路开关 Q2,输出开关 Q4;
旁路模式下关机
旁路模式下关机需进行正常工作模式下关机的 2、3 即可。
电池模式下关机
由于没有市电,电池模式关机只需先关逆变,再断电池开关 B1 和输出开关 Q4 即可。
◆ 注意 ◆
旁路电源不正常时,电池工作模式下关机将导致负载断电!
ECO 工作模式下关机
ECO 工作模式下关机同旁路工作模式关机一样。
6.1.3 工作模式切换
本系列 UPS 电源单机系统进入正常工作模式后,可以进行多种模式的切换。如果 UPS 输入电源满足规定的输入条件,且负载容量小于单机额定容量,可进行以下操作。
正常工作转电池供电
断开市电输入空开 Q1,将使正常工作模式自动切换到电池供电模式。
正常工作转旁路供电
按 5.3.2 步骤关闭逆变器,系统将无间断的将正常工作模式转为旁路供电模式。
旁路供电转正常工作模式
市电输入空开 Q1 处于闭合位置,按 5.3.1 步骤启动逆变器,系统将从旁路工作模式切换至正常工作模式。
ECO 模式转正常工作模式
按 5.4.4 步骤将“ECO 模式”的参数设置为【禁能】,重新启动 UPS 电源就能将 ECO 模式切换到正常工作模式。
电池供电模式转正常工作模式
主路电源正常情况下,闭合市电输入空开 Q1,电池供电模式切换到正常工作模式。
6.1.4 紧急停机及恢复
在任何状态下,若发现负载、线路或 UPS 本身发生危害安全的严重故障,可按动面板上的“紧急关机”按钮,系统会关闭整流器、逆变器,封锁输出,同时将内部的电池接触器断开。
此后,若用户确信已排除上述严重故障,可重新按动面板上的“紧急关机”按钮,让系统退出紧急停机状态。进入正常状态之后,整流器重新启动,电池接触器闭合,旁路可以向负载供电。
若想逆变器工作,用户需重新按 5.3.1 步骤正常开机,启动逆变器。
6.1.5 故障消音
UPS 系统出故障时,蜂鸣器将发出报警声。用户使用时可以按下显示控制面板上的“ENTER”键 2 秒,消除本次鸣叫。新的故障可重新引起故障鸣叫。
6.1.6 故障消除
故障模式及其处理
本系列 UPS 系统具有故障自诊断能力,可以通过液晶显示屏或者后台监控观察故障类型。UPS 的故障类型可以简单的分为以下几类:
1. 告警类故障:表明 UPS 内部某些部件或状态异常,但不会因此改变系统的当前工作状态。如:输出在设定时间内过载(过载时间到回改变系统工作状态)等。
2. 可自动恢复故障:表明该故障发生后,系统会关闭逆变器,但待该故障消失后,系统会自动恢复正常工作。如:过温故障等。
3. 可人为恢复故障:表明该故障发生后,系统会关闭逆变器,但待该故障排除后,系统可在人为干预的情况下恢复正常。如:输出过载超时。
4. 不可恢复故障:表明该故障发生后,系统会锁闭,在控制系统下上电复位之前,拒绝再次工作。如:逆变器故障等。
电池欠压关机后的处理
根据用户的要求和后台的设置,当市电、旁路掉电时,系统转电池模式供电,直至电池欠压关机。若电池欠压关机后,市电或旁路再次恢复正常,有以下的处理方法:
当市电或旁路恢复正常时,首先系统将自动解除输出禁止状态,转为旁路工作模式,由旁路供电;接着,系统会自动开启逆变器,转为市电工作模式,由逆变器供电。无需人工干涉,让用户使用起来更加方便。
6.1.7 监控系统的使用
后台通讯
本系列 UPS 电源单机的监控系统提供了 RS232 和 RS485 串行通信口各一个(端口定义见 3.2.2 节)用户可将信号接至附近的管理办公室进行设备管理,
显示面板上的所有数据都可以用后台监控软件监测,同时,在 RS232 口上还扩展出 SNMP 卡接口。
1.RS232 方式
因 RS232 方式传送距离小于 15m,该方式适用于 UPS 电源系统调试或者用户简单近距离监控。
2.RS485 方式(选购件)
RS485 方式的传送距离小于 1000m,适用于较远距离的监控。
3.SNMP 方式
SNMP 卡组件 UF-SNMP111 兼容 10/100M 以太网,SNMP 卡支持 SNMP、TFTP、HTTP、TELNET 等多种网络协议,提供了一个高速网络接入解决办法。
用户通过 SNMP 卡将 UPS 连接到局域网,可实现网络化管理。 详细请参考“SNMP 卡使用说明”。
6.2 维护指南
6.2.1 日常维护
UPS 内部的元器件除了冷却风扇在转动,其他的都是静止的。日常维护非常少,由于 UPS 的正常运行受环境影响较大,因此在日常维护中需注意保证满足 UPS 运行的环境要求。建议用户对以下检查内容进行
记录,可使机器保持最佳的性能并预防将小问题转变成大故障。
1.日检
1)检查控制面板:确认所有 LED 指示正常,液晶显示的所有参数正常,面板上没有报警;
2)检查机柜内各风扇输出处无高温;
3)有无异常噪声;
4)确认通风无阻塞。
2.周检
1)测量并记录电池充电电压与电流;
2)测量并记录 UPS 三相输出电压;
3) 测量并记录 UPS 输出各项电流,如果测量值与以前明显不同,记录下新增负载的大小、种类和位
置,这有利于帮助分析是否会发生故障。
如果显示控制面板显示测量值与对应的计算值不符,请与客户服务部联系。
3.年检
1)首先按周检的内容进行检查;
2)关断 UPS,将负载转到旁路维修开关供电;
3)断开市电输入开关和电池开关;
4)确信 UPS 市电输入端、电池连接端、输出端和旁路输入端没有电压后,打开 UPS 盖板;
5)检查 UPS 功率器件和辅助器件,特别注意以下部分:
电容---检查漏液、变形等
磁性元件---检查过温痕迹、紧固程度及有无裂痕
电缆和连接端---检查电缆老化、磨损和过温痕迹,检查印刷电路板接头须牢固
印刷电路板---检查清洁度和完整性
6)用吸尘器吸去表面杂质,用低压空气吹去外部杂屑;
7)一切检查正常完毕后,重新合上 UPS 的市电输入,按照 5.3.1 开启 UPS,使输出有旁路模式转为市电模式。
8)如有必要,断开主路输入开关 Q1,检查电池后备时间。
4.其他检查
1)输入/输出电缆绝缘外套和连接端检查:建议做定期检查,这时需将 UPS 完全断电,检查周期最好不超过 2 年。
2)防雷检查:建议防雷检查按照周检的方式进行,但在多雷和潮湿的季节需按日检进行,特别是在设备附近发生雷击后更需检查,以便及时发现问题和维修。
6.2.2 电池维护
UPS 电源采用密封式免维护铅酸电池,电池的使用寿命取决于环境温度和充放电次数,高温下使用或深度放电会缩短电池的使用寿命。
1.蓄电池保养
为确保电池的使用寿命,应定期进行维护保养;
1)定期检查蓄电池的状态。保持蓄电池室或电池柜、支架的清洁,定期清洁连接条和连接螺丝处的氧化物,并涂以凡士林和黄油,紧固松动的螺丝,保持蓄电池连接良好,
防止大电流放电时产生打火和过大的压降;
2)每 2~3 月检查一次蓄电池绝缘。每周检查蓄电池的总电压,观察“标示电池”的端电压;每月普测单节电池的电压;
3)尽量保持环境温度在 15℃到 25℃之间;
4)准备停用的电池,在停用前应先充电,并每隔 1 个月充电一次;
5)若发现电池供电时间大大缩短,请联系经销商,确认是否更换电池。(更换电池前请确认更换的电池与原电池的参数与规格相同);
6.2.3 停机维护
对于大型 UPS,一般需定期检修,以确保 UPS 运行于良好的状态和环境之中。若 UPS 发生故障,则需定期通知维修部门进行维修。在检修或维修时,为维护对负载的不间断供电,需按一下顺序关闭 UPS。
UPS电源停机操作步骤如下:
1.按照 5.3.2 关闭 UPS,即关闭逆变器,系统转为旁路供电;
2.依次断开输入开关 Q1,断开电池开关 B1;
3.合上内部维修旁路开关 Q3;
4.依次断开旁路开关 Q2,及输出开关 Q4;
此时用户负载完全依赖 UPS 内部维修旁路供电;再过 5 分钟,待 UPS 内部直流母线电容放电完毕后即可进行一般的检修或维修工作。
第七章 故障诊断及处理
7.1 UPS 系统故障诊断
由于 UPS 的控制电路很复杂,因此要求维修人员对机器非常熟悉,以下内容适合于经过培训的工程师在处理报警时使用。
7.1.1 故障诊断基础
一般来讲,UPS 的故障大多数是突然发生的,这时 UPS 会突然关断或将负载转到旁路。维护时作定期的记录十分重要,这样可以方便地看到 UPS 系统和负载特性的关系。
请注意记住以下条件:
1.UPS 输出电压一般偏差不大于 2%;
2.如果 10 小时内电池未放电,电池充电电流不大于 6A;
3.如果 UPS 显示值与计算值相差较大,应该检查一下原因,在诊断故障时往往需要知道主要负载的工作状况。例如,发生故障时负载是否大于负载开关容量。
7.1.2 故障诊断步骤
【状态记录】UPS 出现故障后,在操作任何开关以前,应立即记录下液晶显示器指示,蜂鸣器鸣叫声音,指示灯状态和 UPS 各个开关的位置。
【故障类型识别】记录完所有指示以后,参看故障信息说明表,查看不正常的指示灯,如果不能确定故障的类型,请与供应商或技术支持工程师联系。
【错误记录】故障类型识别后,将结果送给供应商或技术支持工程师,用户反馈的信息对维修工作极其重要。
7.2 故障显示 LED 显示
请回顾 5.6 节:表一。
7.3 故障信息的蜂鸣器指示
【长鸣声】:系统有严重的告警时,蜂鸣器发出长鸣的告警声。
【鸣 3 声】:寄存器 EEPROM 读写错误时,蜂鸣器连续发出 3 声的告警声。
【鸣 6 声】:电池输入电源未接时,蜂鸣器连续发出 6 声的告警声。
【鸣 8 声】:不满足 UPS 开机条件时,蜂鸣器连续发出 8 声的告警声。
【1 秒鸣 2 次】:UPS 过载预警时,蜂鸣器每隔 1 秒蜂鸣器发出 2 次告警。
【2 秒鸣 1 次】:系统有一般的告警时,蜂鸣器每隔 2 秒蜂鸣器发出 1 次告警。
【2 分钟鸣一次】:旁路异常时,蜂鸣器每隔 2 分钟发出 1 次告警。
7.4 防雷说明(选购件)

SPD 并联于线路(L/N)与大地之间,在正常工作电压情况下,MOV 处于高阻状态,相当于线路对地开路,不影响线路正常工作。故障显示窗口呈绿色,
如图 1 所示。当线路由于雷电或开关操作出现瞬时脉冲过电压时,防雷模块在纳秒级时间内迅速导通,将过电压泄放到大地,当脉冲过电压消失后,防雷模块又自动恢复高阻状态,
不影响用户供电。 当防雷模块长期工作在超负荷工作状态,而发热到一定温度其性能劣化,模块中的热感保护器(k1)(如图二所示)会自动断开防雷模块回路,保护电源电路工作不受影响。
当线路感应过大雷电流时,过流保护器(k2)迅速断开,保护电源电路工作不受影响。k1 或 k2 动作后,SPD 内脱扣装置动作,使故障显示窗口显示红色(如图三所示),提醒用户更换 SPD 模块。
◆ 注意 ◆
当防雷器的模块故障显示窗口指示红色时,则表示防雷器发生故障,应及时更换。防雷器无须特别维护,只需定期检查其连接是否有松动,状态指示是否正常。
7.5 液晶主屏幕 LCD 显示异常
当 UPS 的液晶屏无法正常显示时,可持续按住“UP”键(向上键)5 秒,成功操作后,控制面板的LED 显示区的工作指示灯不断闪烁,接着液晶屏重新启动,显示恢复正常。
◆ 注意 ◆
当液晶屏正常显示时,不推荐用户使用该功能。
第八章 选件使用和维护
8.1 蓄电池组
8.1.1 使用注意事项
1. 所有电池的安装和保养维护都应由接受过相关培训的人员执行。
2. 安装和使用前必须检验电池外观。如果包装破损,电池端子有脏污、腐蚀、生锈或外壳有破裂、变形、漏液等现象,应以新品更换。否则可能造成电池容量降低、漏电、起火等事故。
3. 蓄电池的连接必须保证牢固可靠。连接完成后,所有接线端子和电池间连接都需要校正,应满足电池厂家提供的说明资料或用户手册中对力矩的要求。所有接线端子和电池间连接每年至少应检查紧固一次。否则可能引起火灾!
4. 蓄电池的安装环境必须清凉、干燥、通风良好。
5. 请勿在蓄电池的正、负极端子间直接连接任何导体。操作电池时需取下身上的戒指、手表、项链、手镯及其他金属饰物,并且确定所使用之工具如扳手等均以绝缘体包覆。
6. 操作蓄电池时必须使用护目镜、橡胶手套和围裙等个人防护用品。
7. 使用多组蓄电池时,要先串联,再并联。每连接一组电池都要测量总电压,确保总电压和极性无误,方可进行下一步骤。设备安装尚未完成前,请勿闭合电池开关。
8. 请不要分解、改造、破坏蓄电池,更不要焚烧蓄电池或将蓄电池放入火中!
9. 搬运或安装电池时,都不可使电池的端子处受到拉力或扭力,以免破坏电池内部的连接。
10.蓄电池到了寿命末期,内部可能发生短路、电解液枯竭或正极板栅腐蚀等故障。如果在这种状态下继续使用,蓄电池会有发生热失控/鼓胀和漏液的可能,请在成为这种状态前更换蓄电池。
11.更换的电池请遵守当地相关法律法规的规定处理。
8.1.2 容量选择
依据额定负荷容量计算出放大电流值,根据该电流值及用户需求后备时间的不同选择合适的电池容量。电池的规格种类较多,我司推荐使用蓄电池组为 12V 单体电池串联,单体容量可以选择为 38Ah、65Ah和 100Ah。
◆ 注意 ◆
蓄电池容量超过 100Ah 时,建议选用多组相同品牌相同容量的蓄电池组并联或容量较大的 2V 单体电池组成。
下面表格中蓄电池组容量数据为额定输出满载配置时的要求,实际运行中可以根据负载率和后备时间的要求在 70%~100%容量范围内选配蓄电池组。

8.2 电池柜(选配件)
本系列的 UPS 电源没有标配电池柜,用户可自行选用合适的电池柜来使用,但要注意地板的承重能力和电池柜的前后通风距离。
第九章 售后服务
9.1 异常处理
UPS 异常但无告警指示时,请按下表进行检查与处理。
表 9-1 无告警指示的故障处理

当 UPS 异常,出现声光告警时,请首先确认液晶显示屏上指示的故障名称,然后参考表一处理,
如果问题无法处理,请与售后维修部联系,我们将尽快为您处理。
9.2 保修范围
本公司承诺:自购机之日起,为您提供三年免费保修服务:
1.凭经销商有效证明保修;
2.凭机器生产序号保修;
3.如机器发生故障,请与就近的服务网点及经销商联系,在保修期间造成运输费用,由用户承担。
发生以下情况,不在保修范围内:
1.人为故障;
2.保修期外;
3.生产序列号更改、丢失的成品;
4.因不可抗拒的外来原因引起的损坏或损失;
5.未经授权私自拆机或修改;
6.违反机器操作使用规定;
7.使电池深度放电或人为造成损坏
附录一 开关机操作流程
附 1.1 开机顺序
1. 闭合输入配电开关;
2. 闭合电池输入空开 B1;
3. 闭合主路输入空开 Q1;
4. 闭合旁路输入空开 Q2;
5. 闭合系统输出空开 Q4;
6. 按照 5.3.1 开机。
附 1.2 关机顺序
1. 按照 5.3.2 关机;
2. 断开系统输出空开 Q4;
3. 断开旁路输入空开 Q2;
4. 断开主路输入空开 Q1;
5. 断开电池输入空开 B1;
6. 断开输入配电开关。
◆ 注意 ◆
1.UPS 在运行时禁止闭合旁路维修空开 Q3,否则可能损坏 UPS,旁路维修空开 Q3 只能在系统检修时才可以使用。
2.UPS 在运行过程中面板中的故障灯正常应不亮,如果故障灯显示为红色,请查阅故障信息,并请联系当地售后服务中心。